文章
  • 文章
搜索
详细说明

低压伺服电机60系列

收藏
  • 商品说明

产品命名规则

image.png

符号名称说明

法兰尺寸60:电机尺寸
系列名称BLST:低压伺服电机
额定功率020:20 X 10 (W) ;040:40 X 10 (W) ;60:060 X 10 (W)
额定转速30:30 x 100 (rpm)
抱闸A:非抱闸;B:抱闸
编码器类型E:光编;M:磁编
编码器线数25:2500线;17:17位绝对值;23:23位绝对值
单圈多圈S:单圈;Q:多圈
电压等级V24:24V ; V48:48V

选型规格参数

型号LA(mm)额定电压(VDC)额定功率(W)额定电流(A)最大电流(A)转子惯量额定转速匹配驱动器型号
带抱闸非抱闸
60BLST-02030□-□□□-V2411683.52420011221.91X10-43000SVL100-□020
60BLST-02030□-□□□-V48152.5112.5482006.5130.28X10-43000SVL100-□020
60BLST-04030□-□□□-V24133.593.52440012240.52X10-43000SVL100-□040
60BLST-04030□-□□□-V48133.593.54840012240.56X10-43000SVL100-□040
60BLST-06030□-□□□-V48148.5113.54860015300.76X10-43000SVL100-□100

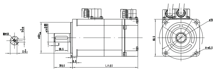
安装尺寸图

image.png

在线表单提交
更多
您的姓名
联系方式
留言内容

联系我们

服务热线:18058404276

办公电话:18906813941

传真号码:0571-88258501

邮箱号码:hzsinyo@163.com

办公地址:浙江省杭州市余杭区余杭街道西部科技园A幢921室

厂区地址:浙江省湖州市德清县康乾街道秋丰路 460 号4 号楼 3-5 楼(功量科技园区)

Copyright 2023杭州伺洋电子科技有限公司 版本所有权 浙ICP备2020042993号-1

在线留言

导航

扫一扫立即咨询

×
seo seo